Arduino用のデバッグ用LED表示器
ArduinoIDEでのデバッグ
ArduinoIDEの様にブレークポイントの設定などのデバッグモードが無い開発ツールでのロボット作りには、プログラムがどの状態にあるのかを知る手段が必要です。
特定の関数内を実行している間LEDを点灯するなど、LED表示によってデバッグの効率を上げる事ができます。
ArduinoのICSP端子を利用したLED表示器
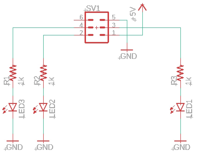
ICSP端子にPixyCamを接続して使う前提でマイコンボードを作ったけど、PixyCamを使わなかったロボットがあります。
ICSPと重複するD11、12、13のコネクタは基板には出ていません。
そこでICSPに差し込んで使えるLED表示器があれば便利なのではと思い、早速製作!
ICSP端子接続LED表示器


※レーザー加工機用データなのでDRCの警告(距離不足)は無視しています。


NanoとUNOではICSPの向きが異なるので注意して下さい。
D11はanalogWrite()が使えるので比例制御の差分値の絶対値を0~255の範囲で出せば制御の状態が見える化できます。
工夫次第で、色々な制御の状態を見る事ができます。
サッカーチャレンジは試合中のLED点灯は不可ですので、取り外し可能な点も便利だと思います。